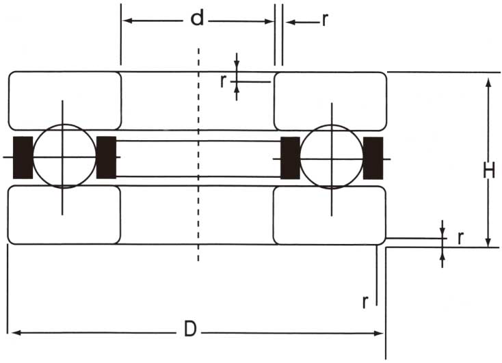
平面推力球軸承產品結構圖
說明:
1,開式軸承是指不帶任何密封蓋的軸承。
2,封閉式軸承指軸承兩邊帶密封蓋,ZZ表示兩邊帶金屬蓋,客戶可以根據自己的要求選擇不同的密封蓋。
3,同一個尺寸的軸承,客戶可以選擇不同的材料,等級。
4,以下尺寸為按國際標準的軸承的基本尺寸,如客戶有不同的要求,我們可以定做。
5,相同的軸承有各種不同的代號和叫法,請確認自己需要的軸承的尺寸。
| 型號 Type *點擊型號查看詳情 | 內徑 Bore Diameter | 外徑 Outer Diameter | 外輪 內徑 d1 | 內輪 外徑 D1 | 高度 High | 基本額定動負荷 Cr(N) Load Rating Cr(N) | 基本額定靜負荷 Cor(N) Load Rating Cor(N) | 允許回轉數 Max.Speed | |
| 潤滑脂 Grease | 潤滑劑 Oil | ||||||||
| *1000rpm | |||||||||
| F2-6 | 2 | 6 | 2 | 6 | 3 | 100 | 78 | 11800 | 16000 |
| F3-8M | 3 | 8 | 3.2 | 7.8 | 3.5 | 600 | 480 | 11000 | 15000 |
| F4-9M | 4 | 9 | 4.2 | 8.8 | 4 | 800 | 520 | 8000 | 12000 |
| F4-10M | 4 | 10 | 4.2 | 9.8 | 4 | 658 | 680 | 6000 | 1000 |
| F5-10M | 5 | 10 | 5.2 | 9.8 | 4 | 950 | 830 | 5100 | 8100 |
| F5-11M | 5 | 11 | 5.2 | 10.8 | 4.5 | 988 | 880 | 5000 | 8000 |
| F5-12M | 5 | 12 | 5.2 | 11.8 | 4 | 988 | 880 | 5000 | 8000 |
| f6-12M | 6 | 12 | 6.2 | 11.8 | 4.5 | 1600 | 1255 | 5000 | 7000 |
| f6-14M | 6 | 14 | 6.25 | 13.8 | 5 | 1800 | 1588 | 4000 | 7000 |
| F7-13M | 7 | 13 | 7.2 | 16.8 | 4.5 | 1422 | 1255 | 4000 | 7000 |
| F7-15M | 7 | 15 | 7.2 | 14.8 | 5 | 2200 | 2000 | 3600 | 7100 |
| F7-17M | 7 | 17 | 7.2 | 16.8 | 6 | 2600 | 2256 | 3500 | 7000 |
| F8-16M | 8 | 16 | 8.2 | 15.8 | 5 | 2500 | 30001 | 4000 | 8000 |
| F8-19M | 8 | 19 | 8.2 | 18.8 | 7 | 3452 | 300 | 3000 | 5000 |
| F9-20M | 9 | 20 | 9.2 | 19.8 | 7 | 3356 | 2999 | 2500 | 4500 |
| F10-18M | 10 | 18 | 10.2 | 17.8 | 5.5 | 2230 | 2721 | 2500 | 4500 |